 □產品介紹 膜盒壓力表適用于測量對銅合金不起腐蝕作用,無爆炸危險的微壓和負壓。氣體廣泛適用于鍋爐和氣體管道等設備上,本儀表可以就地安裝并現場指示。 YE-75膜盒壓力表具有體積小等特點,已批量出口日本等國家。
□主要技術指標 ●標度范圍、精確度等級及重量

注:YE-75、100僅生產帶*規格 1、工作位置、環境:儀表重新安裝,工作環境溫度-25~550C,相對濕度不大于80%,并且在周圍空氣中不含有腐蝕儀表的有害氣體。 2、溫度影響:使用溫度偏離20±50C時。其溫度附加誤差不大于0.4%100C。 ●導(測)壓系統及外殼等主要零件材質

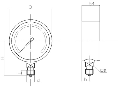
□外形尺寸

 |