 □產品介紹 為使通用壓力表能適用于測量強腐蝕、高溫、高粘度、易結晶、易凝固、有固體浮游的介質壓力以及必須避免測量介質直接進入通用型壓力儀表和紡織沉淀物積聚且易清洗的場合,應必須采用由隔膜隔離器與通用型壓力儀表組成一個系統的隔膜表。 隔膜表主要用于石油化工、制堿、化纖、染化、制藥、食品和制酪等工業部門生產過程中測量流體介質壓力作用。
□構成示意圖 通用型壓力儀表 連接器 隔膜隔離器
□型號表示

□型號標示例 標記:PM10/SR/MF/(A)316/4MPa/50-4.HGJ46 通用儀表為PM10壓力變送器,連接形式為SR散熱式。采用敞開式突面法蘭MF,隔離器(法蘭)材料為碳鋼,膜片材料為316不銹鋼,測量范圍0-4MPa,法蘭標準50-4.0HGJ46
標記:Y-100B-F/ZMG(B)/哈/1MPa/20-4.0HGJ 通用儀表Y-100B-F不銹鋼壓力表,連接形式為直接,采用工字型法蘭MG,隔離器(法蘭)材料為1Gr1Ni,膜片材料為哈氏合金,測量范圍0-1MPa,法蘭標準為20-4.0HGJ47
□結構原理 當測量介質的壓力P作用于隔膜,則隔膜產生變形,壓縮壓力儀表,測壓系統的密封液,使其形成P-△P的壓力。當隔膜的剛性足夠小時,則△P也很小,壓力儀表系統形成的壓力就近于測量介質的壓力。
□主要技術指標 隔膜表的溫度特性 由于隔膜表系統由填充了密封液作為傳遞壓力的介質,則由于密封液的溫度體膨脹系數,使壓力表隨受壓部溫度部溫度升高而示值也升高,其溫度影響量與密封液體膨脹系數,隔膜剛度以及受壓部溫度有關,尤其對于低量程的壓力儀表,則影響更明顯,一般受壓部溫度誤差規定不大0.1%/0C。故隔膜壓力儀表總的溫度影響一般是由通用型儀表溫度影響量與隔膜裝置受壓部溫度影響兩者之和。
隔膜表液位差 尤其對帶軟連接管的隔膜壓力表,由于受壓部與通用型壓力表安裝位置不同,會產生如同所示的液位差影響量△P。
隔膜表的耐腐蝕性 隔膜表的耐腐蝕性可通過合適的選擇與測量介質接觸部分的隔膜,法蘭及密封墊圈的材料來保證。 隔膜材料:0Cr17Ni12Mo2(316);蒙乃爾合金(Cu30Ni70);哈氏合金(H276C)鉭(Ta)及氟塑料(F4)。 法蘭材料:不銹鋼0Cr17Ni12Mo2(316);不銹鋼內襯氟塑料(316+F4)。 密封墊圈材料:丁腈橡膠;氟塑膠;硅橡膠及氟塑料。
法蘭的選擇 選根據GB(中國)、HGJ(化工部)、DIN(德國)、JIS(日本)、ANSI(美國)等法蘭標準及國內實際使用情況編制成常用法蘭系列標準。供用戶選用?梢越邮苡脩羝渌幐竦奶厥庥嗀。
密封液的選擇 為保證隔膜表使用可靠性和安全性,應根據不太用途選擇合適的密封液。

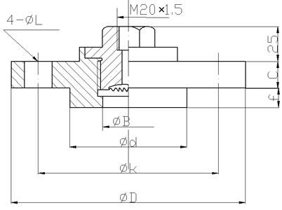
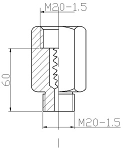
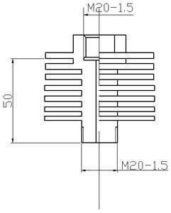
□隔膜裝置法蘭尺寸 1、敞開式突面法蘭




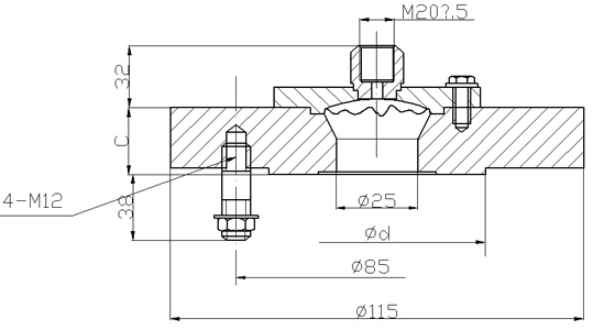
2、工字型突面法蘭(代號MG) 量程上限值:≤4MPa

*均可按用戶提供或指定的法蘭標準尺寸制造。
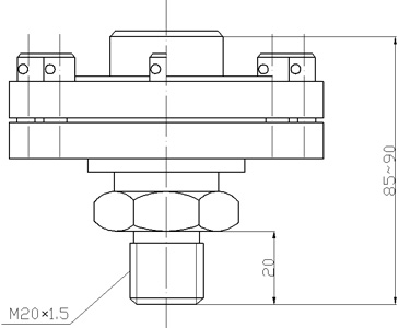
3、螺紋接頭式(代號ML) 量程上限值:≤60MPa

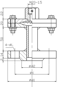
4、螺栓式隔膜隔離器(代號MZ) 測量范圍:1~25 MPa 隔膜和隔膜座材料:0Cr17Ni12Mo2[316]


5、均質機用隔膜隔離器(代號MH) 6、夾子式隔膜隔離器(代號MC) 7、螺母式隔膜隔離器(代號MN) 注:5、6、7均見衛生型隔膜壓力表專頁
□連接器外形尺寸

阻尼器 [ZN] 1Cr18Ni9

軟管接管 [RL] 1Cr18Ni9

硬管接管 [YL]

散熱器 [SR] 銅鍍鎳

角形接管 [GL] |