 智能加氨全自動調節裝置
一、作用
MPS智能加氨控制系統裝置主要用于鍋爐給水 PH 值的自動調節,使鍋爐給水的PH值保持在一定范圍內,運行在最佳狀態,從而防止因給水 PH 值的失調而造成鍋爐熱力設備的腐蝕( PH 值偏低而使熱力設備被酸性腐蝕; PH 值偏高而使熱力設備被堿性腐蝕)。延長熱力設備使用壽命,保證鍋爐的安全經濟運行。
二、特點:
舊式加氨自動調節裝置存在的缺點
1,用工業電導儀作為檢測參數儀表,因水的電導和 PH 值之間非一一對應,故其不能準確反應介質水的酸堿度工況,使整個控制設備不具備良好的調節品質;
2,被調節對象系統純滯后性很大,用 2 型模擬量 PI 調節器對此系統控制達不到預期目的,只能是一個達不到要求的工位調節系統;
3、超調量大,調節周期長,調節品質差;
4、控制設備的環節多,故障率高;
5、直流電機在頻繁的飛速上揚過程中易燒毀,同時對計量泵的機械磨損也大。
MPS智能加氨控制裝置的優點
1、用工業酸度計作為測儀表,能準確直接反應介質酸度工況;
2,調節儀表是采用單片機技術的智能型儀表,具有邏輯判斷功能,這是 2 型調節儀表所無法相比的;
3、控制方式是應用模糊控制理論與優選法,且針對該系統慣性大的特性而建定的,可消除大幅度振蕩現象;
4、超調量小,調節品質高;
5、采用變頻器控制的交流調整系統,以得到較寬的調整速范圍;
6、變頻器輸出頻率可設定,因此不會使電機轉速飛速上揚或下降,電機的故障率較少;
7、自動跟蹤實現無擾動切換;
8、用戶可根據現場實際情況進行合理參數設定。
三、主要技術參數:
1,檢測儀表范圍,酸度 0 — 14 PH 值輸出 4 — 20 MA (對應量程可以設定);
2、加藥泵的壓力可根據系統壓力而選型;
3、交流電機調速范圍 0 — 3000 轉/分;
4,質量 50 Kg (一套) 100 Kg (二套);
5、工作環境
溫度 0 — 45 ℃
溫度小于或等于85%
電源電壓 220 V ± 10%380 V ±10%
電源頻率 50 ± 5% 赫茲
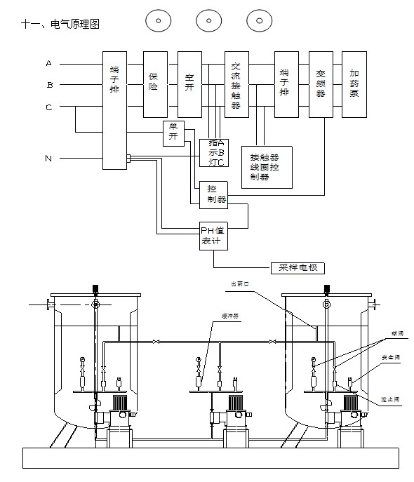
四、工作原理:
為了滿足控制連續被調對象,該裝置采用閉環設定值調節系統,框圖示意如下圖所示:
工作過程:酸度計檢測到被測水樣的 PH 值轉換成 4 — 20 MA 標準信號輸出至過程控制器,過程器把其輸入信號與給定值比較,根據比較結果按一定的算法進行邏輯運算,并以一定的方式輸出 4 — 20 MA 標準信號至變頻器,變頻器根據偏差信號改變其輸出頻率控制交流電機的轉速,達到控制給藥量的要求,從而使被控制對象的被調參數運行的最佳狀態。
五、安裝:
加藥管的安裝:
加藥管的形狀和安裝如右圖所示,管子為ф 10~15 mm 不銹鋼管,在管子端頭附近四周均勻開 10 個左右ф 2 mm 小孔,安裝時,管子斜對著逆向于水流方向且桿于介質管中心線,(加藥泵加藥液一部分從小孔擠出,增加加藥的均勻性)。
取樣管安裝:
取樣管形狀和安裝如右圖所示,管子用ф 20 × 3 mm 不銹鋼管,管子稍逆向斜插入介質管內 3/4 D ,在取樣管端 2/3 處,內開ф 3 mm 小孔數個,這樣可以從不同方向取樣,增加樣水的代表性。
加藥口與取樣品的距離 5 — 10 米為宜,具體情況根據各廠的實際情況考慮,取樣點至 PH 發送器的距離應在小于等于 20 米為宜,以利于縮短傳送。
如圖,取樣口與藥口的距離,取樣口至 PH 發送器的距離遠遠大于上述要求,過程控制器設計方案已充分考慮情況對比控制也能滿足要求,不過品質稍受影響。
控制柜的安裝:
控制柜應選擇清潔明亮,相對溫度不超過 85% ,環境溫度 0 — 45 ℃空氣中無腐蝕性氣體,遠離強磁場的地方安裝。
控制柜很輕,所以不需要做專用基礎,溶液箱安裝應使出口液口高于加藥泵進口。
六、控制設備的整定:
詳見智能工業酸度計,變頻器說明書及過程控制器操作手冊。
七、投合運行:
1、合上三相空氣開關;
2、合上儀表電源開關;
3、將手/自動切換開磁打在手動;
4、手動控制轉速速控對象 PH 值在被控要求范圍,經 2 — 4 個采樣周期后,被控對象 PH 值所在被控范圍或接近被控范圍,將手/自動切換開關打在自動。
八、維護:
1、在手動情況下,定期( 1 —2周)對 PH 值表進行三點定位與電極清洗;
2、保持周圍環境干燥;
九、端子排接線圖:

十、控制柜柜面安置圖:


十二、定貨須知:
1、注明所被控介質在壓力或被選計量泵的型號及電機功率。
2、注明一套系統還是兩套控制系統。
3、注明是否配套藥箱。
注明是否需藥液自控裝置。
|